Collegamento a momento FR con piastra d'estremità estesa non irrigidita a quattro bulloni

Questo articolo è disponibile anche in:
Tradotto dall'intelligenza artificiale dall'inglese

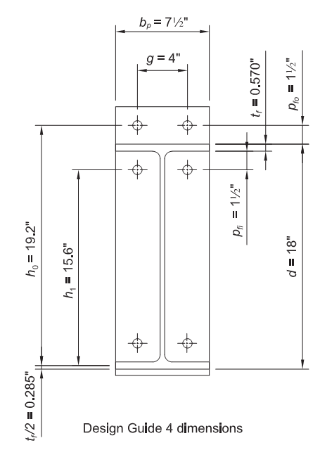
Vedere gli esempi di progettazione AISC, versione 14.1, esempio II.B-4, pagina IIB-22

inline image in article

Nuovo progetto

Aprire il software IDEA, selezionare "Connection" per aprire il modulo di progettazione dei collegamenti in acciaio

inline image in article

Nella finestra "IDEA StatiCa CONNECTION", selezionare Nuovo per creare un nuovo progetto

Nella finestra "Creazione guidata nuovo giunto", selezionare l'immagine del collegamento Frame 2D sulla sinistra

##MISSING IMAGE##

Nella finestra "Seleziona topologia del collegamento", selezionare il collegamento nella riga superiore, il secondo da sinistra

##MISSING IMAGE##

Geometria

Nella finestra "IDEA StatiCa CONNECTION",

  • Nel Navigatore, selezionare Geometria per avviare l'inserimento della geometria del collegamento
  • In Nome, selezionare C per il pilastro (è possibile rinominare il pilastro)
  • In Sezione trasversale, fare clic sul simbolo della doppia freccia per aprire la finestra "Navigatore sezioni trasversali"
inline image in article

Nella finestra "Navigatore sezioni trasversali",

  • selezionare la sezione a doppio T W ad ali larghe
  • Nella finestra a comparsa, selezionare W(Imp)14x99, fare clic su OK per chiudere la finestra
inline image in article

Nella finestra "IDEA StatiCa CONNECTION", in Sezione trasversale, fare clic sul simbolo della matita per inserire le proprietà del materiale del pilastro

inline image in article

Nella finestra "Laminato semplice", in Materiale, fare clic sul simbolo della doppia freccia per selezionare A992

inline image in article

Nella finestra "IDEA StatiCa CONNECTION", in "Nome", selezionare B per la trave e, analogamente a quanto fatto per il pilastro, selezionare W18x50 e il materiale A992.

Mantenere la "Lunghezza" della trave uguale a zero. L'utilizzo di zero per la lunghezza applica il carico all'inizio della trave (faccia del pilastro).

inline image in article

Carichi

Nel pannello sinistro del Navigatore, selezionare Effetti del carico. Modificare il nome della combinazione di carico in LRFD (o scegliere il nome preferito).

Selezionare Forze in posizione, Vy=-42 kips, My=3024 kip-in.

Osservare la rappresentazione grafica delle forze che mostra la direzione effettiva del carico

inline image in article

Progettazione

Nel pannello sinistro del Navigatore, selezionare Progettazione, quindi a destra di "Operazioni di produzione", fare clic sul segno più blu per aggiungere un'operazione di produzione.

Dalla finestra a comparsa "Seleziona operazione", selezionare "Piastra d'estremità". Si noti che appare un suggerimento passando il mouse sulle immagini.

inline image in article

Compilare le proprietà della piastra d'estremità come indicato nella finestra seguente. Man mano che si inseriscono i valori, osservare come cambia la geometria nella finestra di destra.

inline image in article

Personalizzare la posizione dei bulloni.

A destra di "Operazioni di produzione", fare clic su "Editor". Si apre la finestra "Editor piastre".

Fare clic su "Bulloni", quindi su "Esplodi". Modificare la tabella in modo che corrisponda alla tabella nell'immagine seguente. Utilizzare il segno più blu per aggiungere righe alla tabella.

inline image in article

Nella finestra "Navigatore", selezionare "Report / Elementi del progetto". Nella finestra principale, in Sottonorma selezionare "LRFD"

inline image in article

Analisi

Nella finestra "Navigatore", selezionare "Verifica", quindi selezionare "Calcola" dalla barra degli strumenti in alto.

inline image in article

Risultati

Si noti che nel riepilogo dell'analisi sono elencati 4 elementi. Tutti dovrebbero avere un segno di spunta verde; in caso contrario, il collegamento non supera la verifica.

  • Analisi 100% - indica che l'analisi è stata eseguita correttamente e che il 100% della combinazione di carico è stato utilizzato
  • Piastre 0,3 – indica che la deformazione plastica delle piastre è pari allo 0,3%, inferiore al limite normativo del 5%
  • Bulloni 82,4 – indica che il rapporto Domanda/Capacità normativo è dell'82,4%
  • Saldature 89,9 – indica che il rapporto Domanda/Capacità normativo è dell'89,9%

Per visualizzare le tensioni equivalenti, nella barra dei menu in alto selezionare "Tensione equivalente", "Rete" & "Deformata"

inline image in article

Confronto

La tabella seguente mostra che il metodo AISC fornisce un rapporto Domanda/Capacità (D/C) complessivo del 95%, mentre IDEA fornisce D/C= 90%

Una capacità maggiore del metodo IDEA è da attendersi, poiché il Metodo degli Elementi Finiti (FEM) utilizzato è più preciso rispetto alle equazioni di capacità approssimate dell'AISC.

La capacità di bulloni e saldature può essere confrontata direttamente con l'AISC.

La capacità delle piastre in IDEA FEM viene verificata confrontando l'entità della deformazione plastica (<5%), mentre il metodo AISC utilizza una verifica di capacità semplificata. Pertanto i risultati di superamento/non superamento possono essere confrontati, ma il confronto percentuale per le piastre non è significativo.

inline image in article