Îmbinare cu vută – proiectare la capacitate

Acest articol este disponibil și în:
Tradus de AI din engleză

Grindă IPE 450 la stâlp HEB 340

Tip de îmbinare: Îmbinare cu vută pe o singură parte

Sistem de unități: Metric

Proiectat conform: EN 1993-1-8 și EN 1998-1

Verificat: Plăci, șuruburi

Oțel: Clasa S355

Șuruburi: M30 Clasa 10.9

Exemplul este preluat din R. Landolfo et al. Design of Steel Structures for Buildings in Seismic Areas, ECCS Eurocode Design Manual. Wiley, 2017.

Geometrie

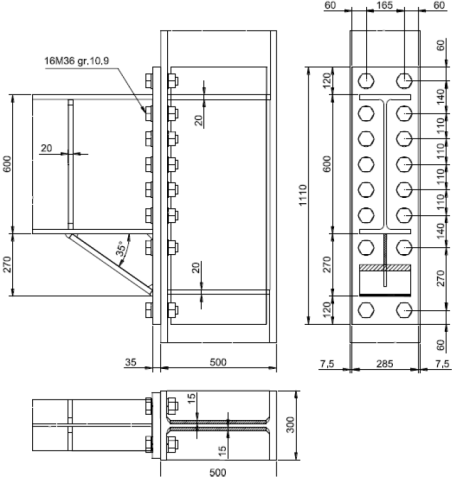
Grinda IPE 450 este conectată la stâlpul HEB 340 printr-o îmbinare cu placă de capăt cu vută. Vuta face un unghi de 35° cu inima, iar grosimile inimii și ale tălpii sunt de 9,4 mm, respectiv 18 mm. Înălțimea vutei este de 178 mm, iar lungimea de 250 mm. Stâlpul este rigidizat cu plăci continue de 15 mm grosime și cu dubluri de inimă pe ambele părți, cu grosimea de 10 mm fiecare. Înălțimea dublurilor este egală cu înălțimea plăcii de capăt. Placa de capăt are grosimea de 35 mm.

inline image in article

Încărcare aplicată

Îmbinarea este încărcată de momentul încovoietor probabil la formarea articulației plastice în grindă MEd = γshfy,ovWpl și forța tăietoare corespunzătoare VEd = 2 ⋅ MEd / Lh, unde:

  • γsh = 1,2 – factor de ecruisare
  • fy,ov = γovfyk = 1,25 ⋅ 355 = 443,75 MPa – limita de curgere probabilă a grinzii
  • γov = 1,25 – factor de suprarezistență
  • fyk = 355 MPa – limita de curgere caracteristică
  • Lh = 6 150 mm – distanța dintre articulațiile plastice ale grinzii

Poziția încărcării în grindă este stabilită la poziția așteptată a articulației plastice.

inline image in article

Calcul manual

Componentele îmbinării sunt încărcate de un moment încovoietor la fața stâlpului, adică Mj,Ed = 981,5 kNm.

Rezistența plastică la încovoiere a secțiunii transversale cu vută: 955,6 kNm – Neîndeplinit

Panoul inimii stâlpului la forfecare: Încărcat de forța tăietoare Vwp,Ed = 1581,2 kN, rezistența componentei Vwp,Rd = 1631,5 kN – OK

T-stub-uri ale plăcii de capăt pentru moment încovoietor negativ (se iau în considerare doar cele 3 rânduri de șuruburi cele mai îndepărtate): MT,Rd = 1018,8 kNm – OK

T-stub-uri ale plăcii de capăt pentru moment încovoietor pozitiv (se iau în considerare doar cele 3 rânduri de șuruburi cele mai îndepărtate): MT,Rd = 1080,6 kNm – OK

T-stub-uri ale tălpii stâlpului pentru moment încovoietor negativ (se iau în considerare doar cele 3 rânduri de șuruburi cele mai îndepărtate): MT,Rd = 876,1 kNm – Neîndeplinit

T-stub-uri ale tălpii stâlpului pentru moment încovoietor pozitiv (se iau în considerare doar cele 3 rânduri de șuruburi cele mai îndepărtate): MT,Rd = 929,2 kNm – Neîndeplinit

Rezistența îmbinării pentru moment încovoietor negativ este Mj,Rd = 876,1 kNm, iar pentru moment încovoietor pozitiv este Mj,Rd = 929,2 kNm.

Momentul la fața stâlpului fără factorii de suprarezistență și ecruisare pentru grindă: MEd = 654,3 kNm, forța tăietoare corespunzătoare VEd = 196,5 kNm. Toate verificările componentelor sunt îndeplinite pentru această încărcare.

Macrocomponentele pot fi clasificate:

  • panoul inimii stâlpului – puternic
  • îmbinare – echilibrată

Rezultatele IDEA StatiCa

inline image in article
inline image in article

Toate verificările componentelor și ale deformațiilor pe plăcile nedisipative sunt îndeplinite, astfel încât macrocomponentele pot fi clasificate astfel:

  • panoul inimii stâlpului: puternic
  • îmbinare: puternică

Pentru a determina rezistența maximă la încărcare în IDEA Connection, factorul de ecruisare a fost crescut iterativ împreună cu încărcarea aplicată până la neîndeplinirea verificărilor. Rezistența la încărcare a acestei îmbinări este de 1 016 kNm la fața stâlpului, iar forța tăietoare corespunzătoare este de 305 kN.

Comparație

Calculul manual conform metodei componentelor (EN 1993-1-8) determină rezistența la încovoiere a îmbinării Mj,Rd = 876,1 kNm, cu ipotezele că axa de rotație se află la mijlocul înălțimii vutei și că doar cele trei rânduri cele mai îndepărtate contribuie la rezistența la încovoiere. Îmbinarea este, prin urmare, echilibrată.

IDEA Connection utilizează metoda CBFEM și determină rezistența la încovoiere la fața stâlpului Mj,Rd = 1 016 kNm. Diferența este de 15 % față de calculul manual. Îmbinarea conform metodei CBFEM este puternică.

Suduri

Sudurile nu sunt verificate deoarece detaliile de execuție ale sudurilor sunt prescrise conform Equaljoints (R. Landolfo et al. European pre-QUALified steel JOINTS – EQUALJOINTS, Final report, 2016). În proiectul IDEA , toate sudurile sunt definite ca suduri cap la cap.

inline image in article


Grindă IPE 360 la stâlp HEB 280

Tip de îmbinare: Îmbinare cu vută pe o singură parte

Sistem de unități: Metric

Proiectat conform: EN 1993-1-8 și EN 1998-1

Verificat: Plăci, șuruburi

Oțel: Clasa S355

Șuruburi: M27 Clasa 10.9

Exemplul este preluat din EQUALJOINTS exemplul nr. 264: https://itunes.apple.com/us/app/equal-joints/id1406825195?mt=8

Geometrie

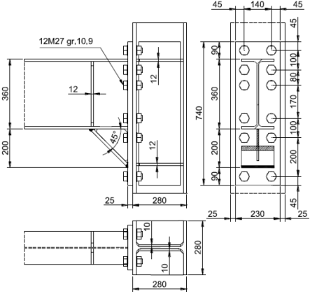
Grinda IPE 360 este conectată la stâlpul HEB 280 printr-o îmbinare cu placă de capăt cu vută. Vuta face un unghi de 45° cu inima, iar grosimile inimii și ale tălpii sunt de 8 mm, respectiv 12,7 mm. Înălțimea și lungimea vutei sunt de 200 mm. Stâlpul este rigidizat cu plăci continue de 12 mm grosime și cu dubluri de inimă pe ambele părți, cu grosimea de 10 mm fiecare. Înălțimea dublurilor este egală cu înălțimea plăcii de capăt. Placa de capăt are grosimea de 25 mm.

inline image in article
inline image in article

Încărcare aplicată

Îmbinarea este încărcată de momentul încovoietor probabil la formarea articulației plastice în grindă MEd = γshfy,ovWpl și forța tăietoare corespunzătoare VEd = 2 ⋅ MEd / Lh, unde:

  • γsh = 1,2 – factor de ecruisare
  • fy,ov = γovfyk = 1,25 ⋅ 355 = 443,75 MPa – limita de curgere probabilă a grinzii
  • γov = 1,25 – factor de suprarezistență
  • fyk = 355 MPa – limita de curgere caracteristică
  • Lh = 7 320 mm – distanța dintre articulațiile plastice ale grinzii

Poziția încărcării în grindă este stabilită la poziția așteptată a articulației plastice.

inline image in article

Calcul manual

Componentele îmbinării sunt încărcate de un moment încovoietor la fața stâlpului, adică Mj,Ed = 572,8 kNm.

Rezistența plastică la încovoiere a secțiunii transversale cu vută: 582,3 kNm – OK

Panoul inimii stâlpului la forfecare: Încărcat de forța tăietoare Vwp,Ed = 1 034,6 kN, rezistența componentei Vwp,Rd = 1 202,8 kN – OK

T-stub-uri ale plăcii de capăt pentru moment încovoietor negativ (se iau în considerare doar cele 3 rânduri de șuruburi cele mai îndepărtate): MT,Rd = 573,0 kNm – OK

T-stub-uri ale plăcii de capăt pentru moment încovoietor pozitiv (se iau în considerare doar cele 3 rânduri de șuruburi cele mai îndepărtate): MT,Rd = 697,5 kNm – OK

T-stub-uri ale tălpii stâlpului pentru moment încovoietor negativ (se iau în considerare doar cele 3 rânduri de șuruburi cele mai îndepărtate): MT,Rd = 545,4 kNm – Neîndeplinit

T-stub-uri ale tălpii stâlpului pentru moment încovoietor pozitiv (se iau în considerare doar cele 3 rânduri de șuruburi cele mai îndepărtate): MT,Rd = 579,5 kNm – Neîndeplinit

Rezistența îmbinării pentru moment încovoietor negativ este Mj,Rd = 545,4 kNm, iar pentru moment încovoietor pozitiv este Mj,Rd = 579,5 kNm.

Momentul la fața stâlpului fără factorii de suprarezistență și ecruisare pentru grindă: MEd = 381,9 kNm, forța tăietoare corespunzătoare VEd = 98,9 kNm. Toate verificările componentelor sunt îndeplinite pentru această încărcare.

Macrocomponentele pot fi clasificate:

  • panoul inimii stâlpului – puternic
  • îmbinare – echilibrată

Rezultatele IDEA StatiCa

inline image in article
inline image in article

Toate verificările componentelor și ale deformațiilor pe plăcile nedisipative sunt îndeplinite, astfel încât macrocomponentele pot fi clasificate astfel:

  • panoul inimii stâlpului: puternic
  • îmbinare: puternică

Pentru a determina rezistența maximă la încărcare în IDEA Connection, factorul de ecruisare a fost crescut iterativ împreună cu încărcarea aplicată până la neîndeplinirea verificărilor. Rezistența la încărcare a acestei îmbinări este de 657,4 kNm la fața stâlpului, iar forța tăietoare corespunzătoare este de 170,3 kN.

Comparație

Calculul manual conform metodei componentelor (EN 1993-1-8) determină rezistența la încovoiere a îmbinării Mj,Rd = 545,4 kNm, cu ipotezele că axa de rotație se află la mijlocul înălțimii vutei și că doar cele trei rânduri cele mai îndepărtate contribuie la rezistența la încovoiere. Îmbinarea este, prin urmare, echilibrată.

IDEA Connection utilizează metoda CBFEM și determină rezistența la încovoiere la fața stâlpului Mj,Rd = 657,4 kNm. Diferența este de 20 % față de calculul manual. Creșterea densității plasei reduce ușor rezistența îmbinării. Cu plasă densă – 24 de elemente pe inima elementului, gradul de utilizare al șuruburilor este de 99 % și deformația plastică pe placa de capăt este de 4,1 % la încărcarea stabilită. Prin urmare, Mj,Ed = 572,8 kNm la fața stâlpului este foarte aproape de rezistența limită. Această rezistență este cu 15 % mai mică decât cu densitatea implicită a plasei și cu 5 % mai mare decât conform calculului manual. Se recomandă creșterea densității plasei pentru plăcile de capăt lungi. Îmbinarea conform metodei CBFEM este puternică.


Grindă IPE 600 la stâlp HEB 500

Tip de îmbinare: Îmbinare cu vută pe o singură parte

Sistem de unități: Metric

Proiectat conform: EN 1993-1-8 și EN 1998-1

Verificat: Plăci, șuruburi

Oțel: Clasa S355

Șuruburi: M36 Clasa 10.9

Exemplul este preluat din EQUALJOINTS exemplul nr. 267: https://itunes.apple.com/us/app/equal-joints/id1406825195?mt=8

Geometrie

Grinda IPE 600 este conectată la stâlpul HEB 500 printr-o îmbinare cu placă de capăt cu vută. Vuta face un unghi de 35° cu inima, iar grosimile inimii și ale tălpii sunt de 12 mm, respectiv 19 mm. Înălțimea și lungimea vutei sunt de 270 mm, respectiv 386 mm. Stâlpul este rigidizat cu plăci continue de 20 mm grosime și cu dubluri de inimă pe ambele părți, cu grosimea de 15 mm fiecare. Înălțimea dublurilor este egală cu înălțimea plăcii de capăt. Placa de capăt are grosimea de 35 mm.

inline image in article
inline image in article

Încărcare aplicată

Îmbinarea este încărcată de momentul încovoietor probabil la formarea articulației plastice în grindă MEd = γshfy,ovWpl și forța tăietoare corespunzătoare VEd = 2 ⋅ MEd / Lh, unde:

  • γsh = 1,2 – factor de ecruisare
  • fy,ov = γovfyk = 1,25 ⋅ 355 = 443,75 MPa – limita de curgere probabilă a grinzii
  • γov = 1,25 – factor de suprarezistență
  • fyk = 355 MPa – limita de curgere caracteristică
  • Lh = 6 658 mm – distanța dintre articulațiile plastice ale grinzii

Poziția încărcării în grindă este stabilită la poziția așteptată a articulației plastice.

inline image in article

Calcul manual

Componentele îmbinării sunt încărcate de un moment încovoietor la fața stâlpului, adică Mj,Ed = 2 105,4 kNm.

Rezistența plastică la încovoiere a secțiunii transversale cu vută: 1 903,3 kNm – Neîndeplinit

Panoul inimii stâlpului la forfecare: Încărcat de forța tăietoare Vwp,Ed = 2 446,8 kN, rezistența componentei Vwp,Rd = 2 773,7 kN – OK

T-stub-uri ale plăcii de capăt pentru moment încovoietor negativ (se iau în considerare doar cele 4 rânduri de șuruburi cele mai îndepărtate): MT,Rd = 1 998,9 kNm – Neîndeplinit

T-stub-uri ale plăcii de capăt pentru moment încovoietor pozitiv (se iau în considerare doar cele 4 rânduri de șuruburi cele mai îndepărtate): MT,Rd = 2 317,7 kNm – OK

T-stub-uri ale tălpii stâlpului pentru moment încovoietor negativ (se iau în considerare doar cele 4 rânduri de șuruburi cele mai îndepărtate): MT,Rd = 2 015,1 kNm – Neîndeplinit

T-stub-uri ale tălpii stâlpului pentru moment încovoietor pozitiv (se iau în considerare doar cele 4 rânduri de șuruburi cele mai îndepărtate): MT,Rd = 2 106,5 kNm – OK

Rezistența îmbinării pentru moment încovoietor negativ este Mj,Rd = 1 903,3 kNm, iar pentru moment încovoietor pozitiv este Mj,Rd = 1 903,3 kNm. Rezistența la încovoiere a secțiunii transversale cu vută este determinantă. Factorul de suprarezistență este utilizat pentru întreaga grindă și, prin urmare, limita de curgere majorată ar putea fi utilizată și pentru secțiunea transversală cu vută, iar rezistența la încovoiere ar fi mai mare. Următoarele componente determinante sunt T-stub-urile plăcii de capăt și ale tălpii stâlpului. Rezistența îmbinării pentru moment încovoietor negativ și pozitiv ar fi Mj,Rd = 1 998,9 kNm, respectiv Mj,Rd = 2 106,5 kNm. Cu această ipoteză, îmbinarea ar fi de rezistență completă pentru γsh = 1,1, conform EN 1998-1.

Momentul la fața stâlpului fără factorii de suprarezistență și ecruisare pentru grindă: MEd = 1 403,6 kNm, forța tăietoare corespunzătoare VEd = 374,3 kNm. Toate verificările componentelor sunt îndeplinite pentru această încărcare.

Macrocomponentele pot fi clasificate:

  • panoul inimii stâlpului – puternic
  • îmbinare – echilibrată

Rezultatele IDEA StatiCa

inline image in article
inline image in article

Este prezentată forma deformată la scara de deformare 5, iar articulația plastică este clar vizibilă. Șuruburile depășesc ușor gradul de utilizare de 100 %, iar deformația plastică maximă a plăcilor cele mai solicitate este de 1,4, 1,1 și 1,1 pentru talpa lărgitorului, placa de capăt și, respectiv, talpa stâlpului. Rezistența este așteptată să fie foarte ușor sub încărcările stabilite. Macrocomponentele pot fi clasificate astfel:

  • panoul inimii stâlpului: puternic
  • îmbinare: echilibrată

Comparație

Calculul manual conform metodei componentelor (EN 1993-1-8) determină rezistența la încovoiere a îmbinării Mj,Rd = 1 903,3 kNm, cu ipotezele că axa de rotație se află la mijlocul înălțimii vutei și că doar cele trei rânduri cele mai îndepărtate contribuie la rezistența la încovoiere. Îmbinarea este, prin urmare, echilibrată. Luând în considerare creșterea limitei de curgere a grinzii la fața plăcii de capăt, rezistența componentei determinante ar fi mai mare. Următoarea componentă determinantă este placa de capăt cu Mj,Rd = 1 998,9 kNm.

IDEA Connection utilizează metoda CBFEM și determină rezistența la încovoiere la fața stâlpului Mj,Rd = 2 100 kNm. Diferența este de 5 % față de calculul manual. Creșterea densității plasei reduce ușor rezistența îmbinării. Cu plasă densă – 16 elemente pe inima elementului, rezistența scade cu doar 2 %. Îmbinarea conform metodei CBFEM este echilibrată.